| 联系方式 | 该项目来源于钢构宝APP,联系业主电话请下载钢构宝APP,或咨询钢构宝客服4001392998/四零零--一三九--二九九八 https://www.zwggb.com |
| 订单编号 | 1376252615212 |
| 更新时间 | 2025-11-12 17:03:37 |
| 订单类型 | 光伏能源 |
| 项目地址 | 山西大同市南郊区经济开发区 |
| 总面积 | 10000.00㎡ |
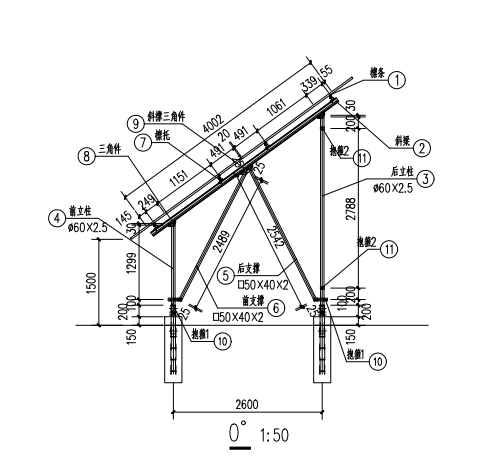
| 项目描述 | 山西大同地区山地光伏组件安装项目 项目内容:总工程量约100兆,料到脚下,光伏组件尺寸:2382x1134x30mm;本工程支架形式:2x13方阵单组固定式支架结构,组件离地最小高度1500mm,具体阵列数量及布置见总平面图,施工方出人工和随手工具只用装板和支架。 已经开工,材料我方提供到现场,随时进场,管住吃自理,固定单价,按进度结款,详情面议,请山西大同就近有意向的专业施工方联系我。 |
| 询价区域 | 天津、河北、山西、内蒙古 |
| 项目图纸及资料 | |
| 项目图片 |
|




